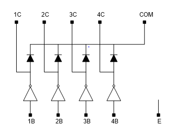
主要特點(diǎn)
最大單路輸出電流500mA
最大工作電壓40V
輸入兼容TTL/CMOS邏輯信號(hào)
封裝形式:SOP10